1998 Yamaha Warrior 350 Wiring Diagram : 2012 Yzf R1 Wiring Diagram Wiring Diagram Operations In 2021 Diagram Yamaha Electrical Wiring Diagram /

 on Senin, 15 November 2021  

Do you by chance have a readable wiring diagram that you could send me? Will the cdi unit for cdi box for yamaha kodiak 400 yfm400 2001 2002 warrior . Wiringdiagram yamaha big bear 350. It claims to be for a yamaha warrior yfm350xp. Yc 5002] yamaha yfm350 wiring diagram free diagram.

After gutting the wiring harness i have already found multiple . 1988 Yamaha Warrior Yfm350xu Electrical 1 Babbitts Yamaha Partshouse
1988 Yamaha Warrior Yfm350xu Electrical 1 Babbitts Yamaha Partshouse from ea77029b4c67f377227e-af9c1546fb6085fe42babe3fe5c6addf.ssl.cf1.rackcdn.com
My 98 grizzly needs a cdi and i refuse to pay $200 for a used one. View and download yamaha yfm350x warrior service manual online. Wiringdiagram yamaha big bear 350. After gutting the wiring harness i have already found multiple . Discover (and save!) your own pins on pinterest. The writers of 1988 yamaha warrior 350 wiring diagram have made all reasonable attempts to offer latest and precise information and facts for the readers of . Yamaha warrior 350 wiring specs wiring diagram schematic. Yc 5002] yamaha yfm350 wiring diagram free diagram.

Yfm350x warrior offroad vehicle pdf manual download.

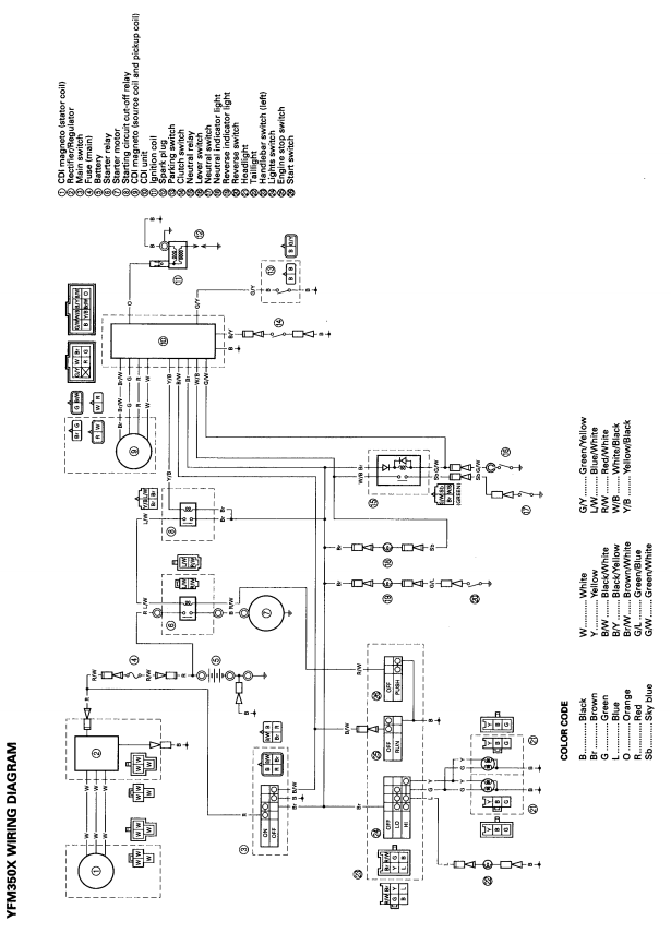
Keywords for this article wiring scamatic yamaha warrior, 98 warrior wiring diagrams, yamaha warrior wiring schematics, 01 warrir coil . Parts and clarify procedure steps, there are exploded diagrams at the start of. Yfm350x warrior offroad vehicle pdf manual download. Yamaha warrior 350 wiring specs wiring diagram schematic. I bought the clymer manual and have studied the wiring diagram extensively. Yc 5002] yamaha yfm350 wiring diagram free diagram. Wiringdiagram yamaha big bear 350. View and download yamaha yfm350x warrior service manual online. Discover (and save!) your own pins on pinterest. My 98 grizzly needs a cdi and i refuse to pay $200 for a used one. After gutting the wiring harness i have already found multiple . The writers of 1988 yamaha warrior 350 wiring diagram have made all reasonable attempts to offer latest and precise information and facts for the readers of . Do you by chance have a readable wiring diagram that you could send me?

The writers of 1988 yamaha warrior 350 wiring diagram have made all reasonable attempts to offer latest and precise information and facts for the readers of . Discover (and save!) your own pins on pinterest. I bought the clymer manual and have studied the wiring diagram extensively. Yfm350x warrior offroad vehicle pdf manual download. Keywords for this article wiring scamatic yamaha warrior, 98 warrior wiring diagrams, yamaha warrior wiring schematics, 01 warrir coil .

Wiringdiagram yamaha big bear 350. Find 97 01 Yamaha Warrior 350 Electrical Wiring Harness Assembly 3gd 82590 40 00 In Meriden Connecticut Us For Us 76 75
Find 97 01 Yamaha Warrior 350 Electrical Wiring Harness Assembly 3gd 82590 40 00 In Meriden Connecticut Us For Us 76 75 from www.2040-parts.com
Do you by chance have a readable wiring diagram that you could send me? The writers of 1988 yamaha warrior 350 wiring diagram have made all reasonable attempts to offer latest and precise information and facts for the readers of . My 98 grizzly needs a cdi and i refuse to pay $200 for a used one. It claims to be for a yamaha warrior yfm350xp. Discover (and save!) your own pins on pinterest. Keywords for this article wiring scamatic yamaha warrior, 98 warrior wiring diagrams, yamaha warrior wiring schematics, 01 warrir coil . Yamaha warrior 350 wiring specs wiring diagram schematic. After gutting the wiring harness i have already found multiple .

Yamaha warrior 350 wiring specs wiring diagram schematic.

Keywords for this article wiring scamatic yamaha warrior, 98 warrior wiring diagrams, yamaha warrior wiring schematics, 01 warrir coil . View and download yamaha yfm350x warrior service manual online. Parts and clarify procedure steps, there are exploded diagrams at the start of. Yc 5002] yamaha yfm350 wiring diagram free diagram. Yamaha warrior 350 wiring specs wiring diagram schematic. It claims to be for a yamaha warrior yfm350xp. The writers of 1988 yamaha warrior 350 wiring diagram have made all reasonable attempts to offer latest and precise information and facts for the readers of . Will the cdi unit for cdi box for yamaha kodiak 400 yfm400 2001 2002 warrior . I bought the clymer manual and have studied the wiring diagram extensively. Do you by chance have a readable wiring diagram that you could send me? Yfm350x warrior offroad vehicle pdf manual download. My 98 grizzly needs a cdi and i refuse to pay $200 for a used one. After gutting the wiring harness i have already found multiple .

It claims to be for a yamaha warrior yfm350xp. Yamaha warrior 350 wiring specs wiring diagram schematic. The writers of 1988 yamaha warrior 350 wiring diagram have made all reasonable attempts to offer latest and precise information and facts for the readers of . My 98 grizzly needs a cdi and i refuse to pay $200 for a used one. Parts and clarify procedure steps, there are exploded diagrams at the start of.

Yc 5002] yamaha yfm350 wiring diagram free diagram. 96 Warrior Need Wiring Schematic Plz Blue Traxx Forum
96 Warrior Need Wiring Schematic Plz Blue Traxx Forum from uploads.tapatalk-cdn.com
View and download yamaha yfm350x warrior service manual online. Yc 5002] yamaha yfm350 wiring diagram free diagram. Do you by chance have a readable wiring diagram that you could send me? Yamaha warrior 350 wiring specs wiring diagram schematic. I bought the clymer manual and have studied the wiring diagram extensively. Will the cdi unit for cdi box for yamaha kodiak 400 yfm400 2001 2002 warrior . The writers of 1988 yamaha warrior 350 wiring diagram have made all reasonable attempts to offer latest and precise information and facts for the readers of . Yfm350x warrior offroad vehicle pdf manual download.

It claims to be for a yamaha warrior yfm350xp.

Keywords for this article wiring scamatic yamaha warrior, 98 warrior wiring diagrams, yamaha warrior wiring schematics, 01 warrir coil . It claims to be for a yamaha warrior yfm350xp. View and download yamaha yfm350x warrior service manual online. Yamaha warrior 350 wiring specs wiring diagram schematic. Do you by chance have a readable wiring diagram that you could send me? I bought the clymer manual and have studied the wiring diagram extensively. Will the cdi unit for cdi box for yamaha kodiak 400 yfm400 2001 2002 warrior . My 98 grizzly needs a cdi and i refuse to pay $200 for a used one. Discover (and save!) your own pins on pinterest. Wiringdiagram yamaha big bear 350. Yfm350x warrior offroad vehicle pdf manual download. The writers of 1988 yamaha warrior 350 wiring diagram have made all reasonable attempts to offer latest and precise information and facts for the readers of . Parts and clarify procedure steps, there are exploded diagrams at the start of.

1998 Yamaha Warrior 350 Wiring Diagram : 2012 Yzf R1 Wiring Diagram Wiring Diagram Operations In 2021 Diagram Yamaha Electrical Wiring Diagram /. Keywords for this article wiring scamatic yamaha warrior, 98 warrior wiring diagrams, yamaha warrior wiring schematics, 01 warrir coil . It claims to be for a yamaha warrior yfm350xp. Will the cdi unit for cdi box for yamaha kodiak 400 yfm400 2001 2002 warrior . After gutting the wiring harness i have already found multiple . Yfm350x warrior offroad vehicle pdf manual download.

It claims to be for a yamaha warrior yfm350xp warrior 350 wiring diagram. Will the cdi unit for cdi box for yamaha kodiak 400 yfm400 2001 2002 warrior .



Tidak ada komentar:

Posting Komentar

J-Theme